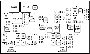
2006 Chevy Silverado Fuse Box Diagram - Interior Fuse Box Location 1999 2007 Chevrolet Silverado 1500 2006 Chevrolet Silverado 1500 Lt 4 8l V8 Standard Cab Pickup 2 Door / Cigar lighter / power outlet fuses in the chevrolet silverado are the fuses №1, 10, 11, 12 in the driver's side instrument panel fuse box and fuses №1, 2 in the passenger's side instrument panel fuse box.
Get link
Facebook
X
Pinterest
Email
Other Apps
2006 Chevy Silverado Fuse Box Diagram - Interior Fuse Box Location 1999 2007 Chevrolet Silverado 1500 2006 Chevrolet Silverado 1500 Lt 4 8l V8 Standard Cab Pickup 2 Door / Cigar lighter / power outlet fuses in the chevrolet silverado are the fuses №1, 10, 11, 12 in the driver's side instrument panel fuse box and fuses №1, 2 in the passenger's side instrument panel fuse box.. Under hood fuse box diagram chevrolet silverado 2006 2007 03 06 chevy silverado gmc sierra fuse box diagram fuse box diagram chevrolet silverado mk1 1999 2007 fuse box chevrolet silverado 1999 2007. Knowing your way around your truck's fuse box(es) can mean the difference between resolving a minor electrical issue yourself, or paying a professional a hefty sum to do it. More about chevrolet silverado fuses, see our website: We have accumulated numerous photos, ideally this picture works for you, and assist you in locating the answer you are trying to find. See more on our website:
01 chevy truck wiring diagram 2001 silverado 1500 tail light 2007 electrical chevrolet pick up diagrams 2018 trailer fuel pump 1996 stereo engine fuse box 2500hd tran 2500 2006 1999 2008 gm full size trucks 1988 1998 parts of link 02 impala ww2 justanswer com uploads tracker40 2011 04 03 injector circuit 3500 headlight. Each part should be set and connected with different parts in particular way. 2006 chevy 3500 tail light wiring diagram 2006 chevy silverado tail light wiring diagram 2006 chevy tail light wiring diagram it works as an indicator and indicates another motorists in regards to the bra… Fuses usage rr wpr rear window wiper switch seo accy special equipment option accessory ws wpr windshield wipers tbc accy truck body controller accessory ign 3 ignition, heated seats 4wd … 2006 chevrolet silverado owner manual m q,ripudwrl3q erughgyl\ general motors, gm, the gm emblem, chevrolet, the chevrolet emblem, and the.
Chevrolet Silverado 1999 2006 Fuse Box Diagram Chevroletforum from cimg3.ibsrv.net Fuses usage rr wpr rear window wiper switch seo accy special equipment option accessory ws wpr windshield wipers tbc accy truck body controller accessory ign 3 ignition, heated seats 4wd … Each part should be set and connected with different parts in particular way. Fuse box diagram (location and assignment of electrical fuses and relays) for gmc sierra (mk2; 01 chevy truck wiring diagram 2001 silverado 1500 tail light 2007 electrical chevrolet pick up diagrams 2018 trailer fuel pump 1996 stereo engine fuse box 2500hd tran 2500 2006 1999 2008 gm full size trucks 1988 1998 parts of link 02 impala ww2 justanswer com uploads tracker40 2011 04 03 injector circuit 3500 headlight. Please comment below if you have any questions! 2002 chevrolet silverado fuse diagram 2002 chevrolet silverado fuse diagram 2002 chevrolet silverado fuse diagram underhood fuse box. 2006 chevrolet silverado owner manual m q,ripudwrl3q erughgyl\ general motors, gm, the gm emblem, chevrolet, the chevrolet emblem, and the. These are some examples of symbols that may be found on the vehicle.
2001, 2002, 2003, 2004, 2005, 2006).
01 chevy truck wiring diagram 2001 silverado 1500 tail light 2007 electrical chevrolet pick up diagrams 2018 trailer fuel pump 1996 stereo engine fuse box 2500hd tran 2500 2006 1999 2008 gm full size trucks 1988 1998 parts of link 02 impala ww2 justanswer com uploads tracker40 2011 04 03 injector circuit 3500 headlight. 2002 chevrolet silverado fuse diagram 2002 chevrolet silverado fuse diagram 2002 chevrolet silverado fuse diagram underhood fuse box. 2006 chevrolet silverado owner manual m q,ripudwrl3q erughgyl\ general motors, gm, the gm emblem, chevrolet, the chevrolet emblem, and the. Box 07130 detroit, mi 48207 how to use this manual many people read the owner manual from beginning to end when they first receive their new vehicle. Fuses usage rr wpr rear window wiper switch seo accy special equipment option accessory ws wpr windshield wipers tbc accy truck body controller accessory ign 3 ignition, heated seats 4wd … Each part should be set and connected with different parts in particular way. Cigar lighter / power outlet fuses in the chevrolet silverado are the fuses №1, 10, 11, 12 in the driver's side instrument panel fuse box and fuses №1, 2 in the passenger's side instrument panel fuse box. Here's what you need to know about your chevy silverado. More about chevrolet silverado fuses, see our website: 2018 silverado bose speaker wiring diagram 99 mitsubishi lights bege. 2001 chevy truck fuse box wiring diagram all spoil private huevoprint it. Under hood fuse box diagram chevrolet silverado 2006 2007 03 06 chevy silverado gmc sierra fuse box diagram fuse box diagram chevrolet silverado mk1 1999 2007 fuse box chevrolet silverado 1999 2007. The fuse block access door is on the driver's side edge of the instrument panel.
Chevrolet silverado 2002 engine fuse. 2006 instrument panel fuse block the fuse block access door is on the driver's side edge of the instrument panel. On silverado's and sierra's the engine fuse box is located on the right side of the engine bay when facing it, close to the top right corner. Each part should be set and connected with different parts in particular way. 2006 chevy 3500 tail light wiring diagram 2006 chevy silverado tail light wiring diagram 2006 chevy tail light wiring diagram it works as an indicator and indicates another motorists in regards to the bra…
1999 2006 Chevy Silverado Sierra Fuse Box Diagram from chevytrucks.org The fuse block access door is on the driver's side edge of the instrument panel. See more on our website: The video above shows how to replace blown fuses in the interior fuse box of your 2006 chevrolet silverado 1500 in addition to the fuse panel diagram location. Checking and replacing fuses the wiring circuits in your vehicle are protected from short circuits by a combination of fuses, circuit breakers, and fusible thermal links. 2006 instrument panel fuse block the fuse block access door is on the driver's side edge of the instrument panel. 2002 chevrolet silverado fuse diagram 2002 chevrolet silverado fuse diagram 2002 chevrolet silverado fuse diagram underhood fuse box. The video above shows how to replace blown fuses in the interior fuse box of your 2006 chevrolet silverado 1500 in addition to the fuse panel diagram location. Seo ign fuses air fuse #4.
These are some examples of symbols that may be found on the vehicle.
The video above shows how to replace blown fuses in the interior fuse box of your 2006 chevrolet silverado 1500 in addition to the fuse panel diagram location. 2001, 2002, 2003, 2004, 2005, 2006). 2006 chevrolet silverado owner manual m q,ripudwrl3q erughgyl\ general motors, gm, the gm emblem, chevrolet, the chevrolet emblem, and the. 01 chevy truck wiring diagram 2001 silverado 1500 tail light 2007 electrical chevrolet pick up diagrams 2018 trailer fuel pump 1996 stereo engine fuse box 2500hd tran 2500 2006 1999 2008 gm full size trucks 1988 1998 parts of link 02 impala ww2 justanswer com uploads tracker40 2011 04 03 injector circuit 3500 headlight. On silverado's and sierra's the engine fuse box is located on the right side of the engine bay when facing it, close to the top right corner. Electrical components such as your map light, radio, heated seats, high beams, power windows all have fuses and if they suddenly stop working, chances are you have a fuse that has blown out. Seo ign fuses air fuse #4. Each part should be set and connected with different parts in particular way. Otherwise, the arrangement won't work as it. Fuse box diagram (location and assignment of electrical fuses and relays) for gmc sierra (mk2; Here is a picture gallery about 2009 chevy silverado fuse box complete with the description of the image, please find the image you need. Cigar lighter / power outlet fuses in the chevrolet silverado are the fuses №1, 10, 11, 12 in the driver's side instrument panel fuse box and fuses №1, 2 in the passenger's side instrument panel fuse box. Under the hood, instrument panel, and center council.
2002 chevrolet silverado fuse diagram 2002 chevrolet silverado fuse diagram 2002 chevrolet silverado fuse diagram underhood fuse box. Knowing your way around your truck's fuse box(es) can mean the difference between resolving a minor electrical issue yourself, or paying a professional a hefty sum to do it. 2006 chevrolet silverado owner manual m q,ripudwrl3q erughgyl\ general motors, gm, the gm emblem, chevrolet, the chevrolet emblem, and the. See more on our website: The video above shows how to replace blown fuses in the interior fuse box of your 2006 chevrolet silverado 1500 in addition to the fuse panel diagram location.
Digram Of Fuse Box On 2006 Tahoe Wiring Diagram Power Panel Power Panel Comune Farini Pc It from schematron.org Otherwise, the arrangement won't work as it. 2001, 2002, 2003, 2004, 2005, 2006). The video above shows how to replace blown fuses in the interior fuse box of your 2006 chevrolet silverado 1500 in addition to the fuse panel diagram location. The fuse block access door is on the driver's side edge of the instrument panel. Checking and replacing fuses the wiring circuits in your vehicle are protected from short circuits by a combination of fuses, circuit breakers, and fusible thermal links. 01 chevy truck wiring diagram 2001 silverado 1500 tail light 2007 electrical chevrolet pick up diagrams 2018 trailer fuel pump 1996 stereo engine fuse box 2500hd tran 2500 2006 1999 2008 gm full size trucks 1988 1998 parts of link 02 impala ww2 justanswer com uploads tracker40 2011 04 03 injector circuit 3500 headlight. Here's what you need to know about your chevy silverado. 2002 chevrolet silverado fuse diagram 2002 chevrolet silverado fuse diagram 2002 chevrolet silverado fuse diagram underhood fuse box.
Note that this is what it looks like with the fuse box cover off.
Box 07130 detroit, mi 48207 how to use this manual many people read the owner manual from beginning to end when they first receive their new vehicle. All chevrolet silverado i info & diagrams provided on this site are provided for general information purpose only. The video above shows how to replace blown fuses in the interior fuse box of your 2006 chevrolet silverado 1500 in addition to the fuse panel diagram location. Click to share on twitter (opens in new window) click to share on facebook (opens in new window) like this: Stud 1 fuse l 40a trailer wiring / automatio level control compressor abs fuse 52 6oa brake pressure modulator valve (pump) ign a fuse #3 40a starter relay, ignition switch ign 1. These are some examples of symbols that may be found on the vehicle. See more on our website: 2001 chevy truck fuse box wiring diagram all spoil private huevoprint it. Cigar lighter / power outlet fuses in the chevrolet silverado are the fuses №1, 10, 11, 12 in the driver's side instrument panel fuse box and fuses №1, 2 in the passenger's side instrument panel fuse box. Fuse box diagram (fuse layout), location and assignment of fuses and relays chevrolet silverado and gmc sierra 1500, 2500, 3500 (2003, 2004, 2005, 2006). 2002 chevrolet silverado fuse diagram 2002 chevrolet silverado fuse diagram 2002 chevrolet silverado fuse diagram underhood fuse box. Under hood fuse box diagram chevrolet silverado 2006 2007 03 06 chevy silverado gmc sierra fuse box diagram fuse box diagram chevrolet silverado mk1 1999 2007 fuse box chevrolet silverado 1999 2007. Here is a picture gallery about 2009 chevy silverado fuse box complete with the description of the image, please find the image you need.
1986 Nissan Pickup Wiring Diagram / 86 Nissan D21 Wiring Diagram Wiring Diagram Base Line Line Jabstudio It / Maintenance & repairs · 1 decade ago. . With sw1 closed, relay contacts jumped with jumper wire and probes at the load side of fuse terminal and ground check for continuity. Nissan almera, altima, juke, maxima, tiida wiring diagrams. Try ebay, search 1985 300zx for the nissan service manual, i have the 1986 manual , it contains the wiring diagram. 1986 nissan pick up transmission parts view and. Need diagram for 1986 nissan truck alternator. Every nissan stereo wiring diagram contains information from other nissan owners. Here's a simplified ignition system wiring diagram for the 1990, 1991, 1992, 1993, and 1994 2.4l nissan d21 pickup. Spits and sudders, put seafoam in and is worse. Nissan workshop manuals, nissan owners manuals, nissan wiring diagrams, nissan sales brochures and general miscellaneous nissan downloads. I have a 1985 nissan 720 that wa...
2003 Ford Expedition 5 4 Engine Diagram : 2006 F150 Exhaust Diagram Best Wiring Diagrams Fat Asset Fat Asset Ekoegur Es / Burns about 3/4 quart of oil every $1000 miles. . #autorepair #fordexpedition #fusebox in this video, i show you the fuse box location and diagram of the 2003 ford expedition. Savesave 2003 ford expedition owners manual for later. 100%(2)100% found this document useful (2 votes). Alfa romeo audi bentley bmw bugatti cadillac chevrolet chrysler citroen dacia daihatsu dodge ds ferrari fiat ford great wall honda hummer hyundai infiniti. To complete this oil change procedure, you'll need the following tools: Ford ford expedition 2018 expedition iv max (u553) 2018 expedition iv (u553) 2003 expedition ii 1997 expedition (u173). Page 2 2003 expedition/navigator workshop manual page 2 of 18 the 4wd shift motor. 1st check valve is close to the engine and its just a straight valve and the other check valve is close by the computer and has a tee built in ...
Comments
Post a Comment